Der CMOS-Schaltkreis CD4035 ist ein 4-Bit Schieberegister. Mit einem solchen Schaltkreis in Kombination mit einem XOR-Gatter lassen sich linear rückgekoppelte Schieberegister zur Erzeugung von Pseudorauschbinärsignalen (engl. pseudorandom binary sequence, kurz PRBS) aufbauen. Bei $n$ Bit beträgt die maximale Länge $N$ einer Folge
\[ N=2^n-1. \]
Für $n=4$ Bit erhält man die Länge $N=2^4-1=15$. In diesem Fall würde man die letzten zwei Bit XOR-verknüpfen und zum seriellen Eingang des Schieberegisters rückführen:

Für die im Bild gezeigte Anfangsbelegung ergibt sich die nachfolgend augegebene Signalfolge, wobei man nach $N=15$ Schritten wieder an der Anfangsbelegung ankommt.
| Schritt | Q1 | Q2 | Q3 | Q4 |
|---|---|---|---|---|
| 0 | 1 | 0 | 0 | 0 |
| 1 | 0 | 1 | 0 | 0 |
| 2 | 0 | 0 | 1 | 0 |
| 3 | 1 | 0 | 0 | 1 |
| 4 | 1 | 1 | 0 | 0 |
| 5 | 0 | 1 | 1 | 0 |
| 6 | 1 | 0 | 1 | 1 |
| 7 | 0 | 1 | 0 | 1 |
| 8 | 1 | 0 | 1 | 0 |
| 9 | 1 | 1 | 0 | 1 |
| 10 | 1 | 1 | 1 | 0 |
| 11 | 1 | 1 | 1 | 1 |
| 12 | 0 | 1 | 1 | 1 |
| 13 | 0 | 0 | 1 | 1 |
| 14 | 0 | 0 | 0 | 1 |
| 0 | 1 | 0 | 0 | 0 |
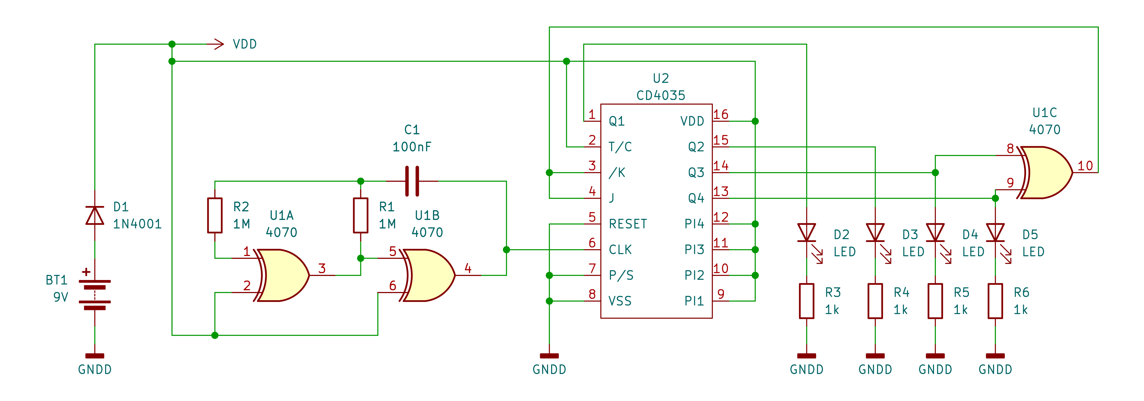
Die Schaltung erfordert neben dem Schieberegister auch mindestens ein XOR-Gatter. Dazu wurde der Schaltkreis CD4030B bzw. CD4070B genutzt, der vier XOR-Gatter mit je zwei Eingängen beinhaltet. Zwei dieser XOR-Gatter bilden einen astabilen Multivibrator, der mit einer Frequenz von ca. 5Hz schwingt und mit dem Takteingang (CLK) des CD4035 verbunden ist. Die Ausgänge Q1,…,Q4 des Schieberegisters steuern LEDs an, die damit den Zustand angeben. Die Ausgänge Q3 und Q4 werden über das XOR-Gatter U1C verknüpft und das resutierende Signal an die Eingänge J und /K des Schieberegistes geleitet.

Der experimentelle Aufbau wurde auf einem Steckbrett vorgenommen. Für die XOR-Gatter kam der Schaltkreis V4030D aus DDR-Produktion zum Einsatz (links oben), für den CD4035 ein MC14035BCP (rechts oben).
